信息来源:江苏人社
省人力资源社会保障厅 省发展改革委 关于印发《江苏省职业技能培训和评价机构信用管理办法(试行)》的通知
各设区市人力资源社会保障局、发展改革委:
现将《江苏省职业技能培训和评价机构信用管理办法(试行)》印发给你们,请认真贯彻执行。
江苏省人力资源和社会保障厅
江苏省发展和改革委员会
2022年10月12日
(此件公开发布)
(联系单位:省职业技能鉴定中心)
江苏省职业技能培训和评价机构信用管理办法(试行)
第一章 总则
第一条 为推进我省职业技能培训和评价领域信用体系建设,完善信用监管机制,规范职业技能培训和评价机构执业行为,根据《中华人民共和国劳动法》《中华人民共和国职业教育法》《中华人民共和国民办教育促进法》《劳动保障监察条例》《江苏省就业促进条例》《江苏省社会信用条例》等法律法规和国家有关规定,制定本办法。
第二条 本办法适用于本省行政区域内各级人力资源社会保障部门对职业技能培训和评价机构开展的职业技能培训、评价过程进行信用管理的活动,包括:信用行为的认定、信用信息的记录、归集、共享、公开、修复等。
法律、法规、规章和党中央、国务院政策文件另有规定的,从其规定。
第三条 本办法所称职业技能培训机构(以下简称培训机构)主要包括:
(一)经行政许可设立的技工院校;
(二)经行政许可设立的民办职业培训学校;
(三)其他面向社会开展政府补贴性职业技能培训的单位。
本办法所称职业技能评价机构(以下简称评价机构)主要包括:经行政许可或备案,开展准入类职业资格评价、职业技能等级认定、专项职业能力考核并核发相应证书的单位。
第四条 对培训和评价机构的信用管理应遵循合法、客观、准确的原则,坚持教育和引导、激励和约束相结合,推动职业技能培训和评价领域诚信体系建设。
第五条 本办法由省人力资源社会保障厅牵头组织实施,并对设区市、县(市、区)的培训和评价机构信用管理工作进行指导、管理和监督。省社会信用综合管理部门配合省人力资源社会保障厅推动培训和评价机构信用管理工作,推进相关信用信息公示和共享。
各级人力资源社会保障部门具体负责本级许可或备案的培训和评价机构的信用管理,其中:职业能力建设机构负责培训机构的信用管理,职业技能鉴定机构负责评价机构的信用管理。
第二章 失信行为认定
第六条 培训和评价机构失信行为分为轻微失信行为、一般失信行为和严重失信行为。
第七条 培训机构有下列情形之一的,构成轻微失信行为:
(一)招生简章和广告未报审批机关备案的;
(二)教学条件不能满足教学要求,影响教育教学质量,未及时采取措施的。
第八条 培训机构有下列情形之一的,构成一般失信行为:
(一)违反法律规定,通过人力资源服务机构、劳务派遣单位或者非法从事人力资源服务、劳务派遣业务的单位或个人组织、安排、管理学生实习实训的;
(二)擅自分立、合并民办学校或者擅自改变民办学校名称、层次、类别和举办者的;
(三)教学条件明显不能满足教学要求、教育教学质量低下,或者校舍、其他教育教学设施设备存在重大安全隐患,未及时采取措施的;
(四)违反规定招生,或者在招生过程中弄虚作假的;
(五)超出办学许可范围,擅自改变办学地址或者设立分校的;
(六)未依法履行公示办学条件、收费项目和标准、教育质量有关材料、财务状况等信息披露义务,或者公示的材料不真实的;
(七)违反法律、法规增加收费项目、提高收费标准的;
(八)违反法律、法规和国家有关规定开展教育教学活动或者有其他管理混乱严重影响教育教学,产生不良社会影响的。
第九条 培训机构有下列情形之一的,构成严重失信行为:
(一)违背国家教育方针,偏离社会主义办学方向,或者未保障学校党组织履行职责的;
(二)发布虚假招生简章或者广告,骗取钱财,或者骗取职业培训补贴、政府相关奖励资金的;
(三)非法颁发或者伪造学历证书、结业证书、培训证书、职业资格证书的;
(四)提交虚假证明文件或者采取其他欺诈手段隐瞒重要事实骗取办学许可证的;
(五)伪造、变造、买卖、出租、出借办学许可证的;
(六)恶意终止办学、抽逃资金或者挪用办学经费的;
(七)侵犯受教育者的合法权益,产生恶劣社会影响的;
(八)违反法律、法规和国家有关规定开展教育教学活动或者有其他管理混乱严重影响教育教学,产生恶劣社会影响的。
第十条 评价机构有下列情形之一的,构成轻微失信行为:
(一)对参评人员的参评资格审核不严,未执行职业技能标准或评价规范及有关制度规定,情节轻微的;
(二)评价组织管理松懈,或未严格按规定提供考场和配备工作人员确保对同批次考生采用相同考核评价方式并使其处于同等考核评价环境进行考核评价,或阅卷管理不规范、评分标准不统一,或其他违反考务管理、证书管理等有关规定,情节轻微的行为;
(三)技能人才评价档案材料保存不完整、管理不规范的;
(四)对评价活动未安排质量督导或不符合质量督导工作规程相关规定,情节轻微的行为;
(五)未严格程序和规范,擅自变更评价时间、地点,未向人力资源社会保障部门报备的。
第十一条 评价机构有下列情形之一的,构成一般失信行为:
(一)未严格按照规定区域和地点组织开展评价的;
(二)评价机构利用广告或其他方法,进行评价“包过”“保过”等虚假宣传的;
(三)考场秩序混乱的;
(四)强制开展考前培训以及以考试为名推行培训的;
(五)未依据国家职业技能标准、行业企业评价规范、经备案的考核规范开展评价的。
第十二条 评价机构有下列情形之一的,构成严重失信行为:
(一)备案申请中故意提供虚假承诺、虚假资料的;
(二)严重超出备案范围开展评价工作的;
(三)为参评人员或协助参评人员伪造申报资料或证件,或纵容参评人员违规报名的;
(四)有组织舞弊的;
(五)证书数据造假的;
(六)违规使用“中华人民共和国”“中国”“中华”“国家”“全国”“职业资格”或“人员资格”等字样和国徽标志的;
(七)自行设置职业资格,或自行开展冠以职业资格名称的相关评价活动的;
(八)假借行政机关名义开展考试、鉴定活动的。
第十三条 认定失信行为应当以下列具有法律效力的文书为依据:
(一)生效的裁判文书、仲裁文书;
(二)行政处罚、行政强制、行政裁决等行政行为决定文书;
(三)法律、法规或者党中央、国务院文件规定可以作为认定失信行为依据的其他文书。
第十四条 人力资源社会保障部门作出失信行为认定决定前,应当采用《失信行为认定告知书》(附件1)形式,告知培训和评价机构作出失信认定决定的事由和依据、信用约束措施提示以及依法享有的权利;相关培训和评价机构提出异议的,应当予以核实并在规定时限内反馈。
人力资源社会保障部门作出失信行为认定决定后,应当制作《失信行为认定书》(附件2),载明相应的事由和依据、失信惩戒措施提示、修复的条件和程序等,依法送达培训和评价机构。
第三章 守信激励和失信约束
第十五条 各级人力资源社会保障部门对无失信信息记录的培训和评价机构,可以采取以下激励性措施:
(一)在日常监督管理和专项检查中,抽查比例设置为总体比例的30%;
(二)在申报政府补贴性职业技能培训项目、高技能人才重点建设项目、技工院校重点建设项目时,同等条件下列为优先选择对象;
(三)优先纳入政府补贴性职业技能培训和评价机构目录;
(四)在培训和评价机构评优升级时,列为优先选择对象;
(五)在申办政府补贴性职业技能竞赛、评价技术资源开发等事项中,同等条件下列为优先选择对象或者给予重点支持;
(六)该机构从业人员在申报技能评价、职称评定、人才项目等事项中,同等条件下列为优先选择对象或者给予重点支持;
(七)其他激励措施。
第十六条 对轻微失信行为实行惩戒豁免,不记入培训和评价机构信用档案,不对外披露。各级人力资源社会保障部门应当通过失信警示、指导约谈等方式,督促其纠正违法违规行为。
第十七条 对发生一般失信行为的培训和评价机构,各级人力资源社会保障部门可以采取以下失信约束措施:
(一)在日常监督管理和专项检查中,抽查比例设置为总体抽查比例的50%;
(二)不列入政府补贴性职业技能培训和评价机构目录;
(三)限制申办政府补贴性职业技能竞赛、评价技术资源开发等事项;
(四)培训和评价机构领办人三年内不得申报市级以上职业技能类评比、表彰项目;
(五)法律、法规和党中央、国务院政策文件规定的其他惩戒措施。
第十八条 对发生严重失信行为的培训和评价机构,各级人力资源社会保障部门应当采取以下失信约束措施:
(一)日常监督管理和专项检查中,将其列为必查对象;
(二)不列入政府补贴性职业技能培训和评价机构目录、高技能人才重点建设项目、技工院校重点建设项目、省重点技师学院建设等项目,不得承担政府补贴性职业技能培训和评价项目;
(三)撤销相关职业技能类荣誉;
(四)培训和评价机构领办人三年内不得申报县级以上职业技能类评比、表彰项目;
(五)法律、法规和党中央、国务院政策文件规定的其他惩戒措施。
第四章 信用信息管理
第十九条 省人力资源社会保障厅建设全省统一的培训和评价机构信用管理系统,广泛应用数字技术,推进信用管理流程优化、模式创新和履职能力提升,持续优化利企便民数字化服务。
各级人力资源社会保障部门按照职责分工,认定、记录、归集、管理本级产生的信用信息,并以统一社会信用代码为标识为培训和评价机构建立信用档案,加强信用数据分析,大力推行智慧监管。
第二十条 各级人力资源社会保障部门应当按照省统一规范,建立本级管理的培训和评价机构基础信息库、在本级取得各类职业技能证书的人员基础信息库。
机构基础信息应当记录培训和评价机构名称、统一社会信用代码、单位类型、成立日期、地址、联系方式等信息;法定代表人、负责人姓名、职务和身份号码等信息;行政许可、备案、开展培训或评价的职业(工种)及等级等信息。机构基础信息应当在其取得相应资格后及时录入,资格消亡后应当及时备注。未取得培训和评价资格的机构基础信息应当在监督检查后及时录入。
取得证书人员基础信息应当记录姓名、性别、身份号码、证书名称、职业(工种)、等级、发证时间、发证单位等信息。人员基础信息应当在证书制作后及时录入。
第二十一条 各级人力资源社会保障部门应当及时记录培训和评价机构的下列信用信息:
(一)获得表彰奖励、荣誉称号等信息;
(二)行政处罚、行政强制、行政裁决等信息;
(三)行政监督检查等信息;
(四)失信行为认定信息。
各级人力资源社会保障部门应当自信用信息产生之日起7个工作日内归集至全省统一的培训和评价机构信用管理系统。
第二十二条 各级人力资源社会保障部门应当会同社会信用综合管理部门、公共信用信息工作机构等建立信用信息共享交换机制,将培训和评价机构的一般失信信息和严重失信信息,通过信用管理部门门户网站、人力资源社会保障部门门户网站等向社会公示,并依据相关规定提供查询服务,深化信息高效共享。
失信信息自失信行为认定之日起生效,一般失信行为信息公示期为1年,严重失信行为信息公示期为3年,期满停止公示。
第二十三条 各级人力资源社会保障部门建立严格的信息安全保护制度,不得泄露国家秘密、商业秘密、个人隐私,不得危害国家安全和社会公共利益。
第五章 信用修复和异议处理
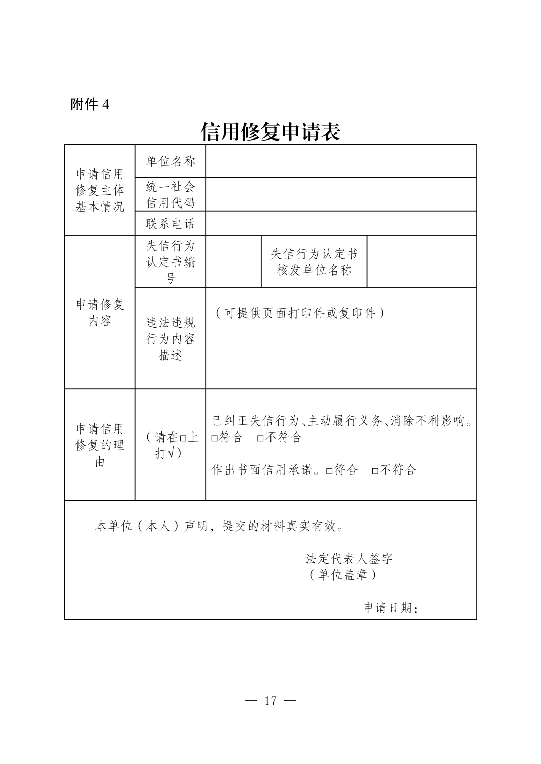
第二十四条 一般失信行为信息自认定之日起满3个月后,严重失信行为信息自认定之日起满6个月后,培训评价机构已纠正失信行为、主动履行义务、消除不利影响,且作出信用承诺(附件3)并同意向社会公开的,可向作出认定的人力资源社会保障部门提交《信用修复申请表》(附件4)。
第二十五条 人力资源社会保障部门应当自修复申请受理之日起7个工作日内作出是否予以信用修复的决定。对不符合信用修复条件的,应当告知信用修复申请人不予修复的理由。确认修复的失信行为信息应当及时在培训和评价机构相应信息及信用档案中予以标注,在相关平台和网站上撤销公示,并向培训和评价机构出具《信用修复决定书》(附件5)。信用修复决定作出之日起2个工作日内将信用修复决定共享至同级公共信用信息共享平台。
第二十六条 培训和评价机构弄虚作假骗取信用修复的,作出认定的人力资源社会保障部门应当撤销信用修复的决定。
第二十七条 培训和评价机构认为信用信息存在错误、遗漏或者侵犯其商业秘密、个人隐私等合法权益的,可以向管理其信用信息的人力资源社会保障部门提出书面异议申请并说明理由。
人力资源社会保障部门应将信用信息进行异议标注,并在5个工作日内进行核实并作出处理。信用信息存在错误、遗漏或者侵犯商业秘密、个人隐私等合法权益的,应当及时予以更正、删除。异议的受理情况、处理结果应当及时回复提出异议的培训和评价机构。
第六章 监督管理
第二十八条 各级人力资源社会保障部门应当畅通投诉举报渠道,接受社会对培训和评价机构的监督。
第二十九条 人力资源社会保障部门未按本办法履行职责,有下列行为之一的,由上一级部门责令整改;情节严重的,对负有责任的主管人员和其他直接责任人员依法依规追究责任。
(一)非法提供、披露、使用、违规删除机构信用信息的;
(二)泄露在业务开展过程中知悉的国家秘密、商业秘密和个人隐私的;
(三)未按规定撤销、变更失信信息或者处理异议申请的;
(四)其他违法违规行为。
第七章 附则
第三十条 本办法由江苏省人力资源和社会保障厅负责解释。
第三十一条 本办法自2023年1月1日起施行,有效期截至2024年12月31日。
附件:
1. 失信行为认定告知书
2. 失信行为认定书
3. 信用承诺书
4. 信用修复申请表
5. 信用修复决定书
附件1
附件2
附件3
附件4
附件5

